Простая схема на транзисторе, которую можно собрать даже в школьной мастерской
Как сделать так, чтобы в макете домика свет загорался сам при наступлении темноты? Оказывается, это несложно: достаточно иметь в наличии фоторезистор, пару резисторов, транзистор и батарейку. Такой проект помогает школьникам познакомиться с принципами работы датчиков и автоматических систем, почувствовать себя инженерами и собрать собственный элемент умного дома без программирования. О том, как сделать это, пошагово рассказал Сергей Лобачев — руководитель клуба научно-технического творчества «Искатель» (г. Клин, Московская область), учитель физики, технологии и информатики высшей категории.
Практически в любой макет, собранный из наборов умной бумаги или других макетов, можно добавить автоматическую подсветку. Это будет элемент умного дома без программирования. При снижении освещенности в нашем макете будет включаться подсветка, а уровень освещенности, при котором включается свет, можно будет устанавливать через регулятор.
Необходимые компоненты:
- NPN-транзистор (например, простейший 2N2222);
- резистор номиналом 270 Ом;
- переменный резистор на максимальное сопротивление 50–100 кОм;
- батарейка типа «Крона» напряжением 9В.
Собрав частично домик или любой другой объект, который вы хотите оснастить подсветкой, мы устанавливаем в удобном месте светодиод подсветки, например, для свечения внутри макета или снаружи в каком-нибудь фонаре, и закрепляем его термоклеем. На рисунке 3 два таких светодиода мы установили, соединив их параллельно. Также нам будет необходимо определиться с расположением фоторезистора как датчика освещенности. Это можно сделать или снаружи домика, закрепив его на крыше, например, или внутри, расположив фоторезистор у окна.
Для регулировки включения освещения установим подстроечный резистор значением около 50–100 кОм, который, по сути, будет самым дорогим элементом в нашей схеме. Этот резистор нужно установить так, чтобы был доступ к его регулировочному винту. На рисунке 3 (в верхнем выделителе) показан вывод этого винта через отверстие в корпусе домика. Там же (в нижнем выделителе) показано соединение одного из контактов фоторезистора с крайним контактом подстроечного резистора. Также из механических компонентов нам потребуется разместить отсек питания для батареек 9В или разъем для подключения внешнего питания как на нашем образце. На том же рисунке 3 у нас выведен разъем для подключения штыревых контактов. В итоге все внешние элементы схемы у нас установлены и можно приступать к ее сборке.
На стороне конструкции со светодиодами припаиваем к их отрицательным контактам ограничивающий резистор на 270 Ом. Ко второй ножке резистора припаиваем отогнутый контакт коллектора транзистора 2N2222 (для этой версии транзистора коллектор располагается как на рис. 4 при условии, что транзистор расположен к нам плоской стороной).
Теперь остается только соединить две половины схемы, расположенные в нашем случае на двух деталях макета.
Теперь остается только соединить две половины схемы, расположенные в нашем случае на двух деталях макета.
Припаиваем желтый провод (цвета могут быть любые) к соединенным ранее контактам фоторезистора и переменного резистора, а вторую его сторону к базе транзистора (центральный контакт транзистора). Соединяем вторую свободную пока что ногу фоторезистора с отрицательным контактом питания (черный толстый провод на рис. 5) и к этому месту соединения припаиваем черный провод, а его второй конец припаиваем к эмиттеру транзистора (верхняя ножка транзистора на рис. 5). Наконец положительные контакты светодиодов соединяем со средним контактом подстроечного резистора и его же соединяем вторым красным проводом с положительным контактом источника питания.
Схема готова.
При затемнении фоторезистора светодиод загорается, а при увеличении освещенности светодиод выключается. Регулируя сопротивление переменного резистора, мы можем выставить тот уровень освещенности, ниже которого будет включается светодиод.
Схема готова.
При затемнении фоторезистора светодиод загорается, а при увеличении освещенности светодиод выключается. Регулируя сопротивление переменного резистора, мы можем выставить тот уровень освещенности, ниже которого будет включается светодиод.
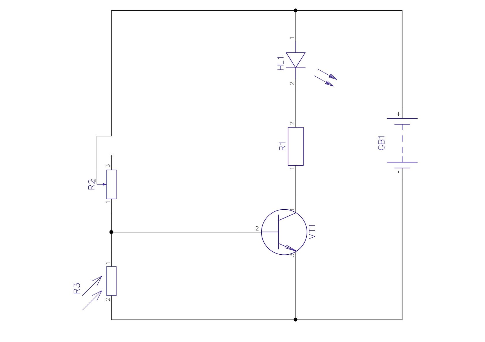
Физика работы устройства
Если присмотреться к нашей схеме, то мы видим, что она состоит из двух частей.
Переменный резистор и фоторезистор составляют делитель напряжения, который делит входное напряжение от источника на два пропорционально сопротивлениям элементов. При понижении уровня освещенности сопротивление фоторезистора растет, а значит, растет и напряжение на нем, которое и определяет потенциал общей «средней» точки между переменным резистором и фоторезистором. При повышении освещенности большая часть напряжения будет падать на переменном резисторе и потенциал «средней» точки будет низкий. Надо помнить, что эта часть схемы всегда подключена к источнику, а значит, для того чтобы батарейка не разряжалась быстро, при любых уровнях освещенности общее сопротивление двух резисторов должно быть большим, лучше в десятки или сотни кОм.
Вторая часть схемы — это, по сути, «транзисторный ключ» — схема, открывающая ток через светодиод при превышении потенциала на базе транзистора выше определенной величины, для нашего транзистора меньше 1В. Как только потенциал на «средней» точке делителя превысит 1 В, то транзистор открывается и включается светодиод.
Вторая часть схемы — это, по сути, «транзисторный ключ» — схема, открывающая ток через светодиод при превышении потенциала на базе транзистора выше определенной величины, для нашего транзистора меньше 1В. Как только потенциал на «средней» точке делителя превысит 1 В, то транзистор открывается и включается светодиод.
Для регулировки точки включения и служит переменный резистор, величина которого устанавливается так, чтобы падение напряжения на фоторезисторе достигало необходимого 1 В при нужной нам яркости света.
Ну а резистор R1, как вы могли догадаться, служит для ограничения напряжения и тока через светодиод.
Ну а резистор R1, как вы могли догадаться, служит для ограничения напряжения и тока через светодиод.
Симулятор электронных схем Falstad
Для подготовки иллюстраций к этой статье использовался онлайн-симулятор электронных схем Falstad. (https://www.falstad.com/circuit/circuitjs.html)
В этом симуляторе можно собирать схемы из различных компонентов, которых в стандартном меню «Рисовать» достаточно много. Только в отличии от старших версий таких симуляторов мы устанавливаем не конкретный транзистор, например, по маркировке, а стандартный элемент и задаем некоторые его параметры.
Этого вполне достаточно для демонстрации работы различных схем не только в школьном курсе, но и для высшей школы. Таких готовых схем в этом симуляторе достаточно много, а при необходимости можно собрать свою схему. Как видно на иллюстрации, мы можем менять значения параметров компонентов в режиме реального времени. А также доступны осциллографы для снятия характеристик тока. Таким же образом иллюстрируется течение тока в реальном времени.
Можно не только сохранять свои схемы, но и экспортировать их в виде картинки или ссылки, которая открывается в отдельном окне.